您好,欢迎访问乐鱼网页版登录入口网站!

联系我们

联系我们

乐鱼网页版登录入口

手机:133-4266-6888

电话:0769-81383685

邮箱:changmin896@163.com

地址:广东省东莞市石排镇庙边王龙田西路1号

网址:www.throughheartshapedglasses.com/

台灯转轴

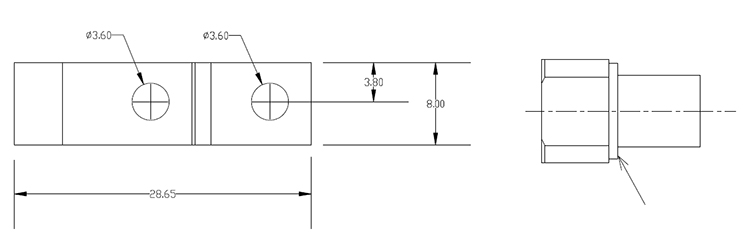
台灯转轴 CM053-007

规格:29.65*15.5MM
外观:电镀亮镍
扭力:12-14KGF.CM
寿命:15000次,衰减率小于20%
材质:SK7+1215
咨询热线:133-4266-6888

产品介绍

卷圆台灯转轴,卷圆钣金件包裹轴件,采用过盈配合产生稳定的扭矩,有效节省装配空间。



专注精密五金转轴实体厂家
专业转轴工程师为您的产品量身定制各类转轴
地址:广东省东莞市石排镇庙边王龙田西路1号
电话:0769-81383685
手机:133-4266-6888
Copyright © 2021 乐鱼网页版登录入口 版权所有,违权必究 粤ICP备18051942号
咨询

电话

133-4266-6888

扫一扫加微信

扫一扫加微信

扫一扫加微信

公众号

微信公众号

微信公众号

微信小程序

微信小程序

微信小程序