您好,欢迎访问乐鱼网页版登录入口网站!

联系我们

联系我们

乐鱼网页版登录入口

手机:133-4266-6888

电话:0769-81383685

邮箱:changmin896@163.com

地址:广东省东莞市石排镇庙边王龙田西路1号

网址:www.throughheartshapedglasses.com/

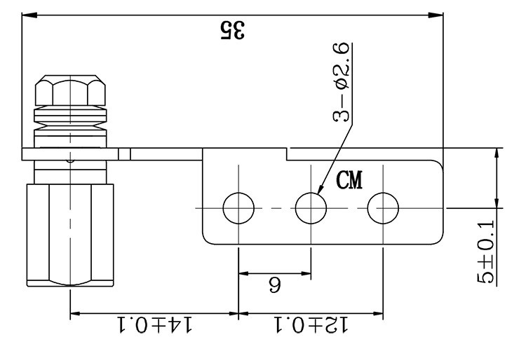
台灯转轴

三孔位固定台灯转轴CM053-010

规格:35*16MM
外观:电镀亮镍
扭力:4.5-5.5KGF.CM
寿命:5000次,衰减率小于20%
材质:SK7+1215
咨询热线:133-4266-6888

产品介绍

产品特点:折叠台灯转轴,采用垫片结构,钣金件加厚加硬,使台灯结构更加牢固,转动过程中不会晃动,转轴360度旋转,-5/175自锁。

使用方法:折叠台灯转轴的钣金件上有三个螺丝孔,还附带BOSS柱,使用螺丝固定,轴件洗扁直接插入到底座中即可使用。



专注精密五金转轴实体厂家
专业转轴工程师为您的产品量身定制各类转轴
地址:广东省东莞市石排镇庙边王龙田西路1号
电话:0769-81383685
手机:133-4266-6888
Copyright © 2021 乐鱼网页版登录入口 版权所有,违权必究 粤ICP备18051942号
咨询

电话

133-4266-6888

扫一扫加微信

扫一扫加微信

扫一扫加微信

公众号

微信公众号

微信公众号

微信小程序

微信小程序

微信小程序